单选题
看题模式
4
/
86
4.
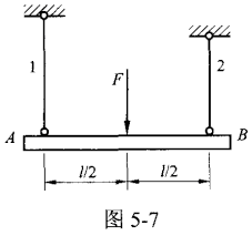
(2007)图5-7所示刚梁AB由杆1和杆2支承。已知两杆的材料相同,长度不等,横截面面积分别为A
,A
,若荷载F使刚梁平行下移,则其横截面面积( )。
,A
,若荷载F使刚梁平行下移,则其横截面面积( )。
A.
A
<A
<A
B.
A
=A
=A
C.
A
>A
>A
D.
A
、A
为任意
、A
为任意